附件下载:
目录
一、总 则......................................................1
二、施工基本规定 ............................................1
三、质量验收基本规定....................................3
四、沟槽开挖.....................................................5
五、沟槽地基及管道基础处理.......................9
六、沟槽回填...................................................13
七、管道交叉处理..........................................15
八、钢制管、配件安装..................................16
九、球墨管等安装..........................................23
十、PE(聚乙烯)管材、管件安装.............29
十一、聚丙烯(PP-R)管安装.....................38
十二、衬塑钢管安装......................................47
十三、薄壁不锈钢管道施工规范.................54
十四、供水管道支架安装规范.....................61
十五、二次供水设备的技术要求.................76
十六、附件及附属构筑物..............................85
十七、小区管网及“一户一表”改造工程、
新报装工程.....................................................102
十八、高层住宅管道井内水表安装..........119
十九、供水管道水压(气压)试验及冲洗
消毒................................................................125
二十、工程验收...........................................129
二十一、公司强制条文..............................144
附件:衬塑钢管、PE 管、PPR 管壁厚检测标准及衬塑钢管沟槽检测标准附表.................148
一、总 则
1、为了加强供水管道工程的施工管理,规范施工技术,统一施工质量检验、验收标准,确保工程质量,根据国家相关规范结合本公司实际,制定本规程。
2、本规程适用于襄阳中环水务有限公司的供水管道工程的施工及验收。
3、供水管道工程的施工及验收除应符合本规程规定外,必须符合国家现有的有关标准、规范的规定。
4、本规程解释权归供水工程质量管理部,自公布之日起实施。
二、施工基本规定
1、从事供水管道工程的施工单位、分包单位必须具备相应的施工资质,施工人员必须具备相应的资格。
2、施工单位必须建立、健全施工技术、质量、安全生产等管理体系,必须取得安全生产许可证、制定各项施工管理规定,遵守有关施工安全、劳动保护、防火、防毒的法律、法规, 确保安全施工,分包单位应具有安全生产许可证、相应的施工资质,施工单位与分包单位签订安全协议。
3、施工单位必须按照审核批准的设计图纸、施工规范,组织相关施工人员深入现场,掌握现场实际情况,设计意图与要求,做好施工准备工作。
4、施工单位在开工前必须编制施工组织设计,合理安排施工程序、施工进度、合理布置施工力量、编制切实可行的施工进度计划,确定经济、可行的施工方案和质量及安全保障措施。对不开槽施工、过桥、过河管道等特殊作业,制定专项施工方案;对于特殊施工情况,必须编制应急预案。
5、工程所用的管材、管道附件、构(配)件
和主要原材料等产品进入施工现场必须进行自检验收并妥善保管。进场验收时应检查每批次的产品合格证、出厂检验报告、质检报告、并按相应规范对其进行外观逐一检查,验收合格后方可使用。
6、供水管道试压必须采用施工中分段试压或完工后整体试压的方式。(采用顶管施工的管道焊接完成经试压合格后方可顶入)
三、质量验收基本规定
1、供水管道工程施工质量验收应在施工单位自检基础上,按报验批、分项工程、分部工程的顺序验收。
2、主控项目的质量抽样检验合格率
100% 、一般项目的抽样检验合格率达到
80%。(主控项目是指关键项目,影响工程质量和安全的硬性项目,必须达到某个数字;一般项目是指次关键项目,影响表面质量、观感,必须达到某个指标)。
3、对涉及结构安全和使用功能的分部工程应进行试验或第三方检测。
4、每道工序、分项工程、分部工程的质量验收记录完整、正确,施工单位施工员、质量员、项目经理对检查结果签字填写相对应的报验表单、工程质量部现场代表对验收结果在验收表单上签字。
5、主要工程材料质量保证资料以及相关试验检测资料齐全、正确。
6、隐蔽工程在隐蔽前由施工单位通知工程质量部现场代表进行验收,形成验收文件。
7、通过返修仍不能满足使用功能的工程
严禁验收。
8、工程竣工验收后,由施工单位按资料管理台账的要求进行整理编制,工程质量部统一审核,一式两套,一套施工单位自存,一套存公司档案室。
四、沟槽开挖
1、施工排水
⑴配合沟槽的开挖,排水沟应及时开挖及降低深度,排水沟的深度不宜小于0.5m。
⑵施工排水,不得影响交通,且不得破坏道路、农田、河岸及其他构筑物,要经常检查和维护排水系统,排水系统用电应符合国家有关安全用电的规定。
2、沟槽开挖
⑴管道沟槽底部的开挖宽度(管外径+管道每侧宽度*2),在土质良好,不影响安装质量及今后维护情况前提下,企业标准可适当比国家标准降低,但管道每侧的工作面宽度须应符合下表:
|
企标(㎜) |
企标 |
国标 |
|
金属
(㎝) |
非金属
(㎝) |
金属
(㎝) |
非金属
(㎝) |
|
DN100-300 |
20 |
20 |
30 |
40 |
|
DN350-500 |
25 |
25 |
30 |
40 |
|
DN600-1000 |
35 |
35 |
40 |
50 |
|
DN1100-1400 |
45 |
45 |
60 |
60 |
⑵管道沟槽的边坡:当地质条件良好、土质均匀,地下水位低于沟槽底面高程,且开挖深度在 5m 以内,沟槽不设支撑时,沟槽边坡坡度应符合下表:
|
土的类别 |
人工开挖边坡(高、宽) |
机械开挖沟槽坡度
(高、宽) |
|
槽深
(3m) |
槽深(1- 5m) |
在沟底挖土 |
在沟边挖土 |
|
砂土 |
1:0.75 |
1:1.0 |
1:0.75 |
1:1.0 |
|
亚砂土 |
1:0.5 |
1:0.67 |
1:0.5 |
1:0.75 |
|
亚粘土 |
1:0.33 |
1:0.50 |
1:0.33 |
1:0.75 |
|
粘 土 |
1:0.25 |
1:0.33 |
1:0.25 |
1:0.67 |
|
老黄土 |
1:0.20 |
1:0.25 |
1:0.10 |
1:0.33 |
⑶当沟槽挖深较大时,应合理确定分层开挖的深度,并应符合下列规定:
①人工开挖沟槽的槽深超过 3m 时应分层开挖,每层的深度不宜超过2 米;
②采用机械挖槽时,沟槽分层的深度应根据机械性能确定;
③人工挖槽时,堆土高度不宜超过1.5m,且距槽口边缘不宜小于0.8m,为方便回填,不同类别应分开堆放,不得影响交通;
④沟槽高程的允许偏差:开挖土方时应为±20㎜;开挖石方时应为+20㎜、-200㎜;
⑤机械挖槽,应保证槽底土壤不被扰动和破坏,设计槽底以上应留20㎝左右,采用人工清挖;
⑥采用机械挖土时,在机械的回转半径内不应有障碍物。在有地下电缆附近工作时,挖土机应严格保持在 1m 以外距离工作, 单斗挖土机在架空线路一侧工作时,线路的安全距离不应小于下表:
|
输电线路电压
(KV) |
垂直安全距离
(m) |
水平安全距离
(m) |
|
>1 |
1.5 |
1.5 |
|
1-20 |
1.5 |
2.0 |
|
35-110 |
2.5 |
4.0 |
|
154 |
2.5 |
5.0 |
|
220 |
2.5 |
6.0 |
⑦应按施工图确定沟槽位置,沟槽开挖原则上应横平竖直。
⑷根据沟槽的土质、地下水位、开挖断面、荷载等因素,须设置支撑的,必须设置支撑,支撑的材料可选用钢材或木材,支撑的施工质量应符合下列规定:
①支撑应牢固,安全可靠;
②支撑不得妨碍下管和稳管。
⑸雨季施工尽可能缩短开槽长度,且成槽快、回填快,并采取防泡槽措施,一旦发生泡槽,将受泡的软土层清除,换填砂石料或中粗砂并且采取防止管材上浮的措施。
3、沟槽开挖质量检验方法及允许偏差值
(一般项目):
|
序号 |
检查项目 |
允许偏差(㎜) |
检查数量 |
检查方法 |
|
范围 |
点数 |
|
1 |
槽底高差 |
土方 |
±20 |
两井之间 |
3 |
直尺检查、
水准仪测
量 |
|
石方 |
+20、-
200 |
|
2 |
槽底中线每侧
宽度 |
不小于表管道每侧宽度控制
表 |
两井之间 |
6(两侧各3
点) |
挂中线用钢尺测 |
|
3 |
沟槽边坡 |
不陡于管道沟槽边坡坡度控
制表 |
两井之间 |
6(两侧各3
点) |
用坡度尺测 |
五、沟槽地基及管道基础处理
1、沟槽开挖不应扰动天然地基,供水管道一般可以直接敷设在未扰动的原土地基上。
2、但在下列情况下要做管道基础处理:
⑴基土质松软与设计不符;⑵过河床、洼地等;⑶基土层为砂性土、粉砂、细砂、亚砂土、岩石层等;⑷管道地基为淤泥、建筑垃圾、腐质植物等;⑸施工段沟槽发生超挖。
3、管道基础处理方法:
|
序号 |
垫层类别 |
适用部位 |
处理方法 |
|
1 |
素土垫层 |
适用于上部荷载不大、相对沉降差要求不高的浅基层软土湿陷性黄土、杂填土、施工时超挖,处理厚度15
㎜ |
先清除地基上的软弱土层,排出沟槽内积水,采用粘土和砂质粘土混合料,每 30㎜-50
、㎜夯填至设计标高,其承载强度不得低于天
然地基 ;底局部超挖或发生扰动深度不超150
㎜以内,可用挖槽原土回填夯实,其压实度不低于原地基土的密实度。 |
,
4、沟槽地基及管道基础质量验收标准
(主控项目):
|
序号 |
检查项目 |
检查方法 |
|
1 |
原状地基土是否扰动、
受水浸泡、受冻 |
观察、检查地基检验
批质量验收表 |
,
|
2 |
地基承载力是否满足
设计要求 |
观察,检查地基承载
力试验报告 |
|
3 |
地基处理时,压实度、厚度是否满足设计要求 |
按设计或规定要求进行检查,检查地基检验批质量验收表、
试验报告 |
六、沟槽回填
1、供水水管道工程施工完毕并经检验合格后,沟槽应及时回填,回填时,应符合下列规定:
⑴槽底至管顶以上50㎝范围内不得含有机物、冻土以及大于5㎝的砖、石等硬块,如果开挖土质较差,应过筛或外运土回填;在防腐绝缘层或电缆周围,应采用细粒土回填;
⑵管道两侧和管顶以上50㎝范围内的回填,应由沟槽两侧对称运入槽内,不得直接堆在管道上;回填其他部位时,应均匀运入槽内,不得集中推入,管道两侧压实面的高差不应超过30㎝;
⑶管道与基础之间的三角区应填实,压实时管道两侧应对称进行,且不得使管道位移或损伤;
⑷沟槽回填土的密实度不应小于 90%,
处于绿地、农田或沟槽、工作坑开挖过深的回填土,表层如不宜压实,但可将表面整平,并宜预留沉降量;
⑸管道位于车行道下,铺设后即修筑路面的沟槽回填应先用中、粗砂将管道底腋角填充密实,再用中、粗砂分层回填到管顶以上500㎜。
2、回填土的每层铺设厚度和压实遍数应符合下表规定:
|
压实机具 |
每层铺设厚度 |
压实遍数 |
|
人工(木夯、铁夯) |
≤20 厘米 |
3-4 遍 |
|
机械(蛙式、火力夯) |
20-25 厘米 |
3-4 遍 |
3、沟槽回填土质量检验方法(主控项目):
|
序号 |
检查项目 |
检查方法 |
检查数量 |
|
1 |
回填材料是否符合设计要求 |
观察、检查检测报告 |
铺筑 1000㎡
取样一次 |
|
2 |
回填是否带水,回填是否密实 |
观察,检查施工记录 |
|
,
七、管道交叉处理
1、给水管施工如遇下水管线,原则上从下水管线上方通过,如果必需从下方通过,需
设置套管,套管选用规格比供水母材大一型号,其长度不小于下水管径的3 倍。
2、给水管线与排水、煤气、电讯管线的垂直净距不得小于0.2m,与电力电缆、明沟的垂直净距不得小于0.5m,水平间距应满足管道维修所需工作面。
3、管线交叉处理原则是:有压管道让无压管道,钢性管线让柔性管线、小管径让大管径、无规划管线让有规划管线。
八、钢制管、配件安装
1、钢管安装:
⑴钢管质量:进场前应对管节外观逐一检查,表面应无斑痕、裂纹、严重锈蚀等缺陷;
⑵焊缝外观质量应符合以下规定:
、
⑶管节组对焊接时应先修口、清根,管端端面的坡口角度、钝边、间隙,应符合设计要求,设计无要求时应符合下表规定,不得在对口间隙夹焊帮条或加热缩小间隙施焊;
|
倒角新式 |
间隙b |
钝边p |
坡口角度a |
|
图示 |
壁厚t |
|

|
4—9 |
1.5-3.0 |
1.0-1.5 |
60-70 |
|
10-26 |
2.0-4.0 |
1.0-2.0 |
60±5 |
⑷钢管上开口应符合下列规定:①不得在干管的纵向和环向焊缝处开孔;②管道任何位置上不得有十字形焊缝;③管道任何位置上不得开方孔;
⑸管径大于DN800 时,应采用双面焊接;
⑹管道对接时环向焊缝的检验及质量应符合下列规定:
①检查前应清除焊缝的渣皮,飞溅物;
②应在油渗、气压或水压前进行外观检
查;
③管径大于 DN800 时,应逐口进,行油渗
检验,不合格的焊缝应铲除重焊;
④不合格的焊缝应返修,返修次数不得超过3 次。
2、管道对接时,环向焊缝的检验应符合
下列规定:
⑴检查前应清除焊缝的渣皮、飞溅物;
⑵应使用无损检测前进行外观质量检查, 无损伤检测取样数量与质量要求应按设计要求执行,设计无要求时,压力管道的取样数量应不小于焊缝量的10%;
⑶不合格的焊缝应返修,返修次数不得超过3 次。
3、不同壁厚的管节对口时,管壁厚度相差不大于3㎜,不同管径的管节相连时,两管径相差大于小管管径的 15%,采用渐缩管连接,渐缩管长度不小于两管径差值的2 倍,且不小于200㎜。
4、钢制件应由公司指定加工部门制作。
5、钢管应内外防腐,材质质量应符合设计要求不得影响水质:
⑴外防腐:外防腐层的构造要求根据设计规定执行,质量要求:除锈:除去管壁的氧化铁、浮锈、泥土、油脂、焊渣、污杂物等附着物;涂刷底漆:要求均匀,不得漏刷,管子两端各留裸管150㎜不刷,底漆干后在焊缝两侧抹腻子;腻子:要求刮平成过渡曲面,刷第二遍漆完成后缠玻璃布;玻璃布:要求表面平整, 无褶皱和鼓包,压边宽度20-25㎜,布头搭接长度130㎜;
⑵内防腐:材料采用高分子涂料或其它符合饮用水标准的防腐材料,使用前应均匀搅拌,按生产厂家产品说明书的规定配制涂料,涂敷过程随时监测湿膜厚度,表面应平整、光滑、无流挂、无划痕等。严禁在雨、雪、雾及风沙等气候条件下露天作业。
6、防腐管在下沟槽前应进行检验,检验不合格应修补至合格。沟槽内的管道,其补口防腐层应检验合格后方可回填。
7、外防腐质量检验方法(主控项目):
|
序号 |
检查项目 |
厚度(㎜) |
检查数量 |
检查方法 |
|
防腐成管 |
补口 |
补伤 |
|
1 |
厚度 |
普通级三油
≥0.3 |
逐根检查 |
逐个检查 |
逐个检查 |
用测厚仪测量 |
|
加强级四油一布≥0.4 |
|
特加强级六油二布≥0.6 |
|
2 |
电火花测漏 |
普通级三油
2KV |
全数检查 |
全数检查 |
全数检查 |
用电火花检漏仪逐根连续测量 |
|
加强级四油一布2.5KV |
|
特加强级六油二布3KV |
备注:外防腐质量检验标准以公司常用的环氧煤沥青涂料为例,其它防腐材料的质量验收标准见《给排水管道工程施工及验收规范》
8、内防腐质量检验方法(主控项目):
|
序
号 |
检查
项目 |
厚度(㎜) |
检查数
量 |
检查方法 |
|
1 |
厚度 |
普通级 |
≥0.2 |
逐根检查 |
用测厚仪测量 |
|
加强级 |
≥0.25 |
|
特加强级 |
≥0.3 |
|
2 |
电火花测漏点数 |
普通级 |
3 |
个/
㎡ |
逐根连续检
查 |
用电火花检漏仪测量,检漏电压根据涂层厚度5V/
um计算 |
|
加强级 |
1 |
|
特加强级 |
0 |
9、钢管接口质量检验方法(主控项目):
|
序号 |
检查项目 |
检查方法 |
|
1 |
管节及管件、焊接材料的质量 |
检查产品质量保证资料、成品管进场验收记录、现场制作管
加工记录 |
|
2 |
接口焊缝坡口符合第
八章第1、2 节要求 |
逐口检查,用量规量
测;检查坡口记录 |
|
序号 |
检查项目 |
检查方法 |
|
3 |
焊口错边符合第八章第 1 节要求,焊口无十字型焊缝 |
逐口检查,用30㎜的直尺在接口内壁周围顺序贴靠量测错
边量 |
|
4 |
焊口焊缝外观质量应符合第八章第1 节要求 |
逐口检查,按设计要求进行抽检;检查焊
缝质量检测报告 |
|
5 |
法兰接口的法兰应与管道同心,螺栓自由穿入,高强度螺栓的终拧扭矩应符合设计要求
和有关标准的规定 |
逐口检查,用扭矩摆手板手检查;检查螺栓拧紧记录 |
九、球墨管等安装
1、采用胶圈接口的埋地给水管道,在土壤或地下水对胶圈有腐蚀的地段,在回填前应用沥青胶泥、沥青麻丝等材料封闭胶圈接口。
2、管节及管件的规格、尺寸公差、性能应符合国家有关标准规定和设计要求,进入施工现场时其外观质量应符合下列规定:
⑴管节及管件表面不得有裂纹,不得有妨碍使用的凹凸不平的缺陷;
⑵采用橡胶圈柔性接口的球墨铸铁管, 承口的内工作面和插口的外工作面应光滑、轮廓清晰,不得有影响接口密封性的缺陷;
⑶柔性接口铸铁管及管件承口的内工作面、插口的外工作面应修整光滑,不得有沟槽、凸脊缺陷、有裂纹。
3、橡胶圈安装经检验合格后,方可进行管道安装,橡胶圈应符合下列规定:
⑴材质应符合相关规范的规定;
⑵外观应平整光滑、不得有裂缝、破损、气孔、重皮等缺陷;
⑶每个橡胶圈的接头不得超过2 个。
4、橡胶接口推入深度应达到标记环,并复查与其相邻已安好的第一至第二个接口推入深度。
5、橡胶圈接口的管道,每个接口的最大偏转角不得超过下表的规定:
|
DN(㎜) |
75-600 |
700-800 |
≥900 |
|
允许转角 |
3° |
2° |
1° |
|
偏差(㎝) |
31.38 |
20.92 |
10.46 |
6、安装胶圈前承口内工作面内应清理干净,管内应清扫干净,不得有杂物,当日下班时管接口应“封死”。
7、胶圈接口不宜在-10℃以下施工,冬季施工应采取防冻措施,不得使用冻硬橡圈。
8、管道在施工中须被切断时,应保持断口平整且垂直管轴线,并将插口端倒角;在安装时,先画出插入长度标线,再进行连接。插口深度如下表:
|
DN(㎜) |
插口深度(㎜) |
DN(㎜) |
插口深度(㎜) |
|
400 |
110 |
800 |
145 |
|
450 |
113 |
1000 |
155 |
|
500 |
115 |
1200 |
165 |
|
DN(㎜) |
插口深度(㎜) |
DN(㎜) |
插口深度(㎜) |
|
600 |
120 |
1400 |
245 |
|
700 |
145 |
1600 |
265 |
9、球墨管胶圈接口质量检验方法(主控项目):
|
序号 |
检查项目 |
检查方法 |
|
1 |
管节及管件的产品质量应符合第十章第2 条 |
检查产品质量保证资料、检查成品管进场验收记录,进行外观检查 |
|
2 |
承插连接时,两管节中轴线应保持同心,承口插口部位无破损、变形开裂;插口推入深度符合要求 |
、逐个检查;检查施工
、记录 |
|
3 |
法兰接口连接时,连接螺栓终拧扭矩应符合设计、产品使用说明要求接口连接后,连接部位及连接件应无变形、破损 |
; 逐个接口检查,扭矩扳手检查,检查螺栓
拧紧记录 |
,
10、球墨管胶圈接口质量检验方法(一般项目):
|
序号 |
检查项目 |
检查方法 |
|
1 |
连接后管节间平顺,接口无突起、突弯、轴向位移现象 |
观察、检查施工测量记录 |
|
2 |
接口的环向间隙应均匀承插口间的纵向间隙不小于3㎜ |
, 观察、用塞尺、钢尺检查 |
|
3 |
法兰接口螺栓和螺母等连接规格型号一致,采用钢制螺栓和螺母,防腐处理符合设计要求 |
逐个接口检查,检查螺栓和螺母质量合格证明书、性能检验报告 |
|
4 |
管道沿曲线安装时,接口转角符合第九章第5 条 |
用直尺测曲线段接口 |
11、刚性接口质量检验方法(一般项目):
|
序号 |
检查项目 |
检查方法 |
|
1 |
填料配比适合均匀 |
观察、检查施工记录 |
|
2 |
填料是否填打严密 |
观察、用塞尺检查 |
|
3 |
通水前是否养护 |
观察,检查施工记录 |
十、PE(聚乙烯)管材、管件安装
目前公司PE 管安装采用热熔对接和热熔承插式连接。
1、适用范围:
⑴热熔对接:大于等于De75PE 管;
⑵热熔承插式连接:De20~De63PE管。(因施工场地受限情况下,De75~De110PE可以选用承插式连接)
2、对操作人员的要求:
操作人员必须经过培训合格且持有《PE 焊接上岗证》方可进行聚乙烯管道施工。
3、聚乙烯管材、管件的检验:
⑴施工人员接受管材、管件时必须进行验收,先验收合格证与检验报告。检查有无产品出厂合格证,并索要质量证明书(合格证)、检验报告、生活饮用水管道的卫生合格证;
⑵再进行外观检查。进行外观及几何尺寸检查,检查管子内外表面是否清洁光滑, 是否有沟槽、划伤、凹陷、杂质和颜色不均等, 同时管材上应有连续的、间距不超过2m 的永久性标志,写明用途(水)、原料牌号、标准尺寸、标准代号和顺序号、生产厂名或商标、生产日期;
⑶同步进行长度检查。长度应均匀一致,允许偏差为±20㎜,管口端面应与管子的轴线垂直,无气孔,若端面有明显缺陷或其它原因而被截短,这种管材在未查明原因前应不予使用。
4、存放、搬运:
⑴存放:
①管材、管件应存放在通风良好,温度不超过40℃的库房或简易棚内;
②管材应水平堆放在平整的支撑物上或地面上,堆放高度不宜超过1.5m,管件应逐层叠放整齐,应确保不倒塌,并宜便于搬运和管理;
③管材、管件在户外临时堆放时,应有遮盖物;
④管材存放时,应将不同直径和不同壁厚的管材分别堆放,受条件限制不能实现时,应将较大直径和较大壁厚的管道放在底部,并做好标志。
⑵搬运
①管材搬运时必须用非金属绳安装;
②管材、管件搬运时应小心轻放,排列整齐不得抛甩和沿地拖拽;
③冷天搬运管材、管件时严禁剧烈撞击。5、大于等于De75PE(聚乙烯)管材、管件
热熔对接工艺要求:
⑴工具:热熔对接焊机、抹布;
⑵操作程序:
①焊前准备:选择相应的夹具,正确的连接焊机各部件,测量电源电压,符合要求,检查清洁加热板及管材、管件连接面上的污物, 正确设置吸热、冷却时间和加热板温度等参数。;(焊接前加热板应适当预热)
②装夹管材/管件:用辊杠或者支架将管垫平,使焊件在同一轴线上,连接端伸出夹具,自由长度不应小于公称直径的10%,错边不应大于壁厚的10%,检查接口是否对齐;
③加热:设置加热板,调整焊接压力=拖动压力+焊接规定压力,加热板达到设定温度后应保持一定恒温时间,然后再将端面修平的管材以一定的压力(包括测量的拖动压力) 压紧在加热板的加热平面上,并保持一定时间直到形成规定宽度的卷边。当加热板两侧焊接处圆周卷边凸起高度达到规定值时,降压至拖动压力(P 拖),在确保加热板与焊接端面紧密贴合的条件下,开始吸热计时;
④切换对接:达到吸热时间后,打开焊机的移动夹具,并移走加热工具,快速检查加热后的管材端部,确定在移动加热工具过程中是否损伤熔融的端面,然后再合拢焊机夹具, 使管材端面接触;
⑤焊接:贴合焊接面,在增压时间内平稳而迅速的将压力匀速升至焊接压力(P1)开始焊接,重新建立焊接压力时,应当缓和而不能太过突然,以免熔体不均匀流动或产生较大的内应力;
⑥保压冷却:按压力=P1 冷却时间冷却, 冷却期间不得施加任何外力,冷却时间对于接头质量有着非常重要的影响,在整个对接焊过程和随后的冷却过程中,对接焊机应保持压紧状态;
⑦拆卸:达到冷却时间后,将压力降至零,拆卸完成焊接的管段。
备注:焊接时拖动压力越小,对焊口质量影响越小,焊口稳定性越高,拖动压力≦焊接压力 50%,拖动压力过大管下加装滚轮支架减少拖动压力。
⑶接口质量检验参数(主控项目):
为保证对接接口的质量,熔接完毕后,对接口质量进行检查,凭借焊环判断接口质量是检查接口质量的最主要方法:
环的宽度:B=0.35~0.45S
环的高度:H=0.2~0.25S环缝高度:h=0.1~0.2S
其中:S=0.8-1.3e,e-PE 管壁厚
外观:接口焊环(翻边)沿管材外圆周平滑对称、翻边实心、圆滑、根部较宽、无气泡。
6、De20~De75PE(聚乙烯)管材、管件热熔承插连接工艺要求:
⑴工具:热熔承插焊机、抹布;
⑵操作程序:
①首先根据待焊管材规格选择模具,并将模具安装在热板上;
②将温控仪调到给定参数220℃(±10℃)
接通电源(220V);
③将管材沿垂直轴线方向截开,并使其端面垂直于轴线;
④管材、管件应保留适当的过盈量,多余部份应用刮刀去除;
⑤将焊接端倒角,清除碎屑,用整圆器将变形的焊接端复元,并标上熔融深度(熔融深度见附表,熔接时应注意插入深度不可过深, 以免造成管道内堵);
⑥用清洁的纸或布擦拭管材焊接区域的外表面和管件内表面,除去微尘、水份、油脂等杂质;
⑦将管材待焊端和管件同时插入加热到设定温度的模具中加热后,快速拔出,并将管材焊接端插入管件,一直推到管材上承插深度的标线为止,短时间内,轴向允许15 度范围内的调整;
⑧保持该焊接状态至冷却时间焊接完毕;⑨接口质量检验参数(主控项目)热熔承插连接参数表
|
管材外径 |
熔融深度L |
加热时间 |
熔融时间 |
冷却时间 |
|
mm |
mm |
Sec(秒) |
Se(c 秒) |
Min(分
钟) |
|
20 |
14.0 |
5 |
4 |
2 |
|
25 |
15.0 |
7 |
4 |
2 |
|
32 |
16.5 |
8 |
6 |
4 |
|
40 |
18.0 |
12 |
6 |
4 |
|
50 |
20.0 |
18 |
6 |
4 |
|
63 |
24.0 |
24 |
8 |
6 |
|
75 |
26.0 |
30 |
8 |
8 |
|
90 |
29.0 |
40 |
8 |
8 |
|
110 |
32.5 |
50 |
10 |
8 |
若环境温度低于 5℃ ,加热时间延长
50%。

十一、聚丙烯(PP-R)管安装
1、适用范围:
目前公司聚丙烯(PP-R)管安装主要用于高层小区管道井内,De20~De125PP-R 管、管件采用热熔承插式连接方式。
2、对操作人员的要求
操作人员必须通过建筑聚丙烯(PP-R)管安装技术培训。
3、聚乙烯管材、管件的检验:
⑴施工人员接受管材、管件时必须进行验收,先验收合格证与检验报告。检查有无产品出厂合格证,并索要质量证明书(合格证)、检验报告、生活饮用水管道的卫生合格证;
⑵再进行外观检查。进行外观及几何尺寸检查,检查管子内外表面是否清洁光滑, 是否有沟槽、划伤、凹陷、杂质和颜色不均等,管材颜色为灰色,管材的色泽基本一致,管材间隔≦1m的永久性标记,写明生产厂名(产品名称)、商标、规格尺寸、管系列S、公称外径、公称壁厚、执行标准号、生产日期;
⑶同步进行长度检查。长度应均匀一致,允许偏差为±20㎜,管口端面应与管子的轴线垂直,无气孔,若端面有明显缺陷或其它原因而被截短,这种管材在未查明原因前应不予使用;
4、存放、搬运:
⑴存放:
①管材、管件应存放在通风良好,温度不超过40℃的库房或简易棚内;
②管材应水平堆放在平整的支撑物上或地面上,堆放高度不宜超过1.5m,管件应逐层叠放整齐,应确保不倒塌,并宜便于拿取和管理;
③管材、管件在户外临时堆放时,应有遮盖物;
④管材存放时,应将不同直径和不同壁厚的管材分别堆放,受条件限制不能实现时,应将较大直径和较大壁厚的管道放在底部,并做好标志。
⑵搬运
①管材搬运时必须用非金属绳安装;
②管材、管件搬运时小心轻放,排列整齐不得抛甩和沿地拖拽;
③冷天搬运管材、管件时严禁剧烈撞击。5、聚丙烯(PP-R)管安装工艺要求
⑴工具:热熔机、剪刀、酒精、卫生纸。
⑵操作程序
①连接前,应先清除管道及附件上的灰尘及异物,管道连接采用熔接机加热管材和管件,管材和管件的热熔深度应符合要求;
②连接时,无旋转地把管端插入加热套内,达到预定深度。同时,无旋转地把管件推到加热头上加热,达到加热时间后,立即把管子与管件从加热套与加热头上同时取下,迅速无旋转地、均匀用力插入到所要求的深度, 使接头处形成均匀凸缘;
③在规定的加热时间内,刚熔接好的接头还可进行校正,但严禁旋转,将加热后的管材和管件垂直对准推进时用力不要过猛,防止弯头弯曲;
④连接完毕,必须紧握管子与管件保持足够的冷却时间,冷却到一定程度后方可松手;
⑤水平管道纵横方向弯曲,立管垂直度, 成排管道安装偏差须满足下表:
聚丙烯管安装允许偏差(mm)
|
项目 |
允许偏差 |
|
水平管道纵
横方向弯曲 |
每m管道 |
1.5 |
|
全长25m |
≯25 |
|
立管垂直度 |
每m管道 |
3 |
|
全长5m |
≯10 |
|
成排管道 |
在同一直线上间距 |
3 |
⑥聚丙烯管热熔连接时,热熔深度、时间必须满足技术规范要求;
聚丙烯管热熔连接时间表(主控项目)
|
公称外径 |
热熔深度 |
加热时间 |
加工时间 |
冷却时间 |
|
mm |
mm |
Sec |
Sec |
min |
|
20 |
14 |
5 |
4 |
3 |
|
25 |
16 |
7 |
4 |
3 |
|
32 |
20 |
8 |
4 |
4 |
|
40 |
21 |
12 |
6 |
4 |
|
50 |
22.5 |
18 |
6 |
5 |
|
63 |
24 |
24 |
6 |
6 |
|
75 |
26 |
30 |
10 |
8 |
|
90 |
32 |
40 |
10 |
8 |
|
110 |
38.5 |
50 |
15 |
10 |
注:若环境温度小于 5℃,加热时间应延长50%。
⑦PP-R管道支架安装
a、管道支架应在管道安装前埋设,应根据
不同管径和要求设置管卡和吊架,位置应准确,埋设要平整,管卡与管道接触应紧密,不得损伤管道表面;
b、采用金属管卡时,金属管卡与管道之间应采用塑料等软物隔离。在金属管配件与给水 PP-R 管连接部位,管卡应设在金属管边;
c、阀门、水表等给水设备及法兰连接部位设置固定支架,其重量不应作用于管道上。
供水管道支架的最大安装距离见下表;
聚丙烯管供水管道支架的最大安装距离(mm)

5、PP-R 注意的问题
⑴搬运和安装管道时应避免碰到尖锐物体,以防管道破损;
⑵管道安装过程中应防止油漆等有机污染物与管材、管件接触;
⑶安装与金属管连接的带金属嵌件的
专用管件时,不要用力过猛,以免损伤丝扣配件,造成连接处渗漏;
⑷管材和管件加热时,应防止加热度,使厚度变薄,管材在管配件内变形,在热熔插管和校正时,严禁旋转;
⑸操作现场不得有明火,严禁对管材用明火烘弯;
⑹安装中断或完毕的敞口处,一定要临时封闭好,以免杂物进入。
6、PP-R 管道安装的其他要求
⑴施工时环境温度不宜低于5℃,在低于 0℃的环境下施工时,现场应采取升温措施;
⑵PP-R 管道不得直接浇筑在承重结构的梁板柱墙等钢筋混凝土结构内,管道穿越梁板柱墙等钢筋混凝土结构时应预埋套管,PPR 管应该尽可能的少穿伸缩缝,若必须穿伸缩缝时,沉降缝时应采取防沉降和伸缩措施, 设置长度不小于200mm 的柔性套管。


十二、衬塑钢管安装
1、适用范围
衬塑钢管适用于地下室或管道井供水管道安装。
2、对操作人员要求
施工人员经过技术培训,熟悉衬塑钢管性能,掌握基本操作技能。
3、衬塑钢管管材、管件的检验
⑴施工人员接受管材、管件时必须进行验收,先验收合格证与检验报告。检查有无产品出厂合格证,并索要质量证明书(合格证)、检验报告、生活饮用水管道的卫生合格证;
⑵再进行外观检查。衬塑钢管内表面不允许有气泡、裂纹、脱皮,尤明显痕纹、凹陷、色泽不均及分解变色线,不允许伤痕或裂纹等.钢管内应拉去焊筋,其残留高度不应大于0.5mm;
⑶同步进行长度检查。衬塑钢管形状应是直管,两端截面与管轴线成垂直,定尺长度一般为6m,允许偏差为±20㎜,若端面有明显缺陷或其它原因而被截短,这种管材在未查明原因前应不予使用;
⑷衬塑钢管应平直堆放在阴凉处,并远离热源、火种,不得长期堆放在室外阳光直射和严寒场所,衬塑钢管在运输过程中,不应抛摔或剧烈撞击;
4、衬塑钢管工艺要求
⑴工具:金属锯、自动套丝机、专业滚槽机、弯管机;
⑵操作程序及工艺:
①螺纹连接
衬塑钢管的公称通径<DN50mm 时采用螺纹连接,衬塑钢管与配件连接前,应检查配件内橡胶密封圈,然后将配件用手捻上管端丝口,在确认管件接口已插入,用管子钳进行管子与配件的连接。(注:不得逆向旋转) 螺纹连接步骤如下:
a、切割
切断钢管时,严禁采用火焰式切割和砂轮机切割,优先采用金属带锯进行切割,保证端面与管体垂直,修去端口毛刺、清除油、水及切屑;当采用挤压方式切割时,应确保挤压刀片锋利,避免钢塑分层,衬塑钢管端面内斜角锋口应进行45°的休整;
b、修整
切割后用刮削器或铰刀休整内缘去除内壁凸纹、毛刺及锐角;
c、加工螺纹
使用套丝机加工螺纹时,采用标准的冷却方法冷却,将管螺纹加工至 GB/T7306.2 标准要求。DN50 以下衬塑钢管套丝时应分两次切削完成,将螺纹加工至标准规定长度;
d、螺纹检验
螺纹加工完成要用标准螺纹规进行检验;
e、螺纹清理
去除残留在螺纹或管道内表面的切割油
或碎屑;
f、连接
螺纹处缠绕生料带用手把管件上紧后,用管子钳拧紧。连接后,外露的螺纹部分及所有钳痕和表面损伤的部位应涂防锈密封胶;
②沟槽连接
衬塑钢管的公称通径≥DN50mm 时可以采用沟槽连接,沟槽式管接头的工作压力应与管道工作压力相匹配,施工中必须注意涂层的保护,管道应轻抬轻放。沟槽连接步骤如下:
a、管材切割前应按配管图先标定管子外径,其外径误差和壁厚误差应在允许公差范围内;
b、管道切割应采用机械方法,切口表面 应平整,无裂缝、凹凸、缩口、熔碴、氧化物,并 打磨光滑;
c、管端沟槽加工部位的管口不圆整时应整圆,壁厚应均匀,表面的污物、油漆、铁锈、碎屑等应予清除;
d、管道切割应采用机械方法,切口表面应平整,无裂缝、凹凸、缩口、熔碴、氧化物, 并打磨光滑;
e、管端沟槽加工部位的管口不圆整时应整圆,壁厚应均匀,表面的污物、油漆、铁锈、碎屑等应予清除;
f、滚槽机滚压成型的沟槽应符合下列要求:
管端至沟槽段的表面应平整,无凹凸、无滚痕;
用滚槽机对管材加工成型的沟槽, 不得损坏管子的涂层及内壁各种涂层;
g、沟槽式接头安装应符合下列要求:
在橡胶密封圈的外侧安装卡箍件, 必须将卡箍件内缘嵌固在沟槽内,并将其固定在沟槽中心部位;
压紧卡箍件至端面闭合后,即刻安装紧固件,应均匀交替拧紧螺栓;
安装完毕后,检查并确认卡箍件内缘全圆周嵌固在沟槽内。
5、支(吊)架安装
⑴支(吊)架的型式、材质、加工尺寸和制造质量等应符合国家现行有关标准的规定并按设计要求安装牢固,位置正确。其中DN25-50 用 ∠30*3 角钢 ,DN70- 80 用∠40*4角钢 ,DN100-150用∠50*5角钢,角钢垂直方向底部应打45°斜角;
⑵在管道系统中,应在下列位置必须设置固定支架(吊架):
①进水立管的底部;
②立管因自由长度较长而需要支承立管
重量的部位;
③在连接三通、弯头、阀门及各配水点等受力处,必须采用管卡固定,管卡宜设置于管件接头部位,管卡与管件之间的距离不得大于管材直径的四倍;
④横管吊架(托架)应设置在接头(刚性接
头、挠性接头,支管接头两侧和弯头等管件上下游连接接头的两侧。吊架(托架)与接头的净间距不宜小于150mm和大于300mm;
⑤立管(横管)安装时应及时固定和调整支(吊)架,支(吊)架与管子接触应紧密,滑动支架滑动面应洁净平整,应有防止脱落的设施。
给水用衬塑钢管的立管和水平管的支撑
间距应符合下表的规定:

沟槽标准(主控项目)

十三、薄壁不锈钢管道施工规范
目前公司薄壁不锈钢管安装采用双卡压、环压式连接和沟槽连接。
1、适用范围
薄壁不锈钢管适用于地下室、管道井及室内供水管道安装。
⑴双卡压连接:压力小于等于1.6MPa,管径小于等于DN125薄壁不锈钢管;
⑵环压连接:压力小于等于2.5MPa,管径小于等于DN125薄壁不锈钢管;
⑶沟槽连接:压力小于等于2.5MPa,管径大于等于DN125薄壁不锈钢管。
2、对操作人员的要求:
操作人员必须熟悉薄壁不锈钢管材管件产品性能,熟悉薄壁不锈钢管道系统施工技术规范,经培训合格后上岗作业。
3、运输与存放:
管材、管件在运输、存放过程中,应小心轻放,排列整齐,不得与尖锐物品碰撞,不得抛、摔、拖、压,应防止与有腐蚀的介质和污物接触。在没有安装前不得破坏材料外包装和保护膜。管材(件)不能露天存放不得与有害物及其它金属、污物混合堆放,如:角铁、钢筋等等。存放不当或与其他金属、腐蚀性介质接触时,会导致材料产生腐蚀,从而影响产品的使用性能。管材和管件沾到油渍和污渍时,应即时擦拭干净保证材料表面的光洁度和卫生。
4、管道切割:
⑴根据所需管材尺寸,薄壁不锈钢管的切割应采用无明显升温的切割方式,应使用不锈钢专用的切管机、割刀。切割时不要用力过大以防止薄壁不锈钢管失圆;
⑵切割口要保持与管材水平面垂直,切口无椭圆及毛刺现象,否则在插入的过程中会导致密封圈损坏而引起泄漏。如工地现场不具备以上切割工具时,可采用砂轮锯进行切割,但必须符合:
a、采用材质不含铁的砂轮锯;
b、砂轮锯应专用于切割薄壁不锈钢管,不得用于切割其它金属。切斜不得大于1.5mm,内外毛刺可用专用倒角工具或锉刀彻底去除。
⑶切割后应保持管材干净,切割后的钢屑应用干布及时清理出管道,不得残留在管路内;
⑷对于DN100 以上的沟槽管材,不得使用环切工具进行切割,避免管材端口内凹造成卡箍密封时渗漏。
5、管道安装及敷设
活动支架的最大间距 
⑴明装管道的活动支架应满足上表中的要求,材质应选用与管道相同的材质,如选用其它金属(除铜外)支架或管卡时,两者接触面间应采用橡胶等软物隔垫;
⑵管道安装应根据管道长度、环境温度的影响,按设计要求安装补偿装置;
⑶管道穿越建筑物的沉降缝、伸缩缝应采取补偿措施。管道最高点应设置自动排气阀,最低点应设置泄水装置,管网的横管应有 0.002~0.003 的坡向泄水装置;
⑷管道不得敷设在配电间、强弱电管道井、烟道、风道和排水沟内;
⑸薄壁不锈钢管材和管件不宜与水泥浆、水泥、砂浆、拌和混泥土直接接触。薄壁不锈钢管道与穿墙套管采用以下三种方式对薄壁不锈钢管进行保护:
①在薄壁不锈钢管上套薄性PVC套管 ;
② 在薄壁不锈钢管上缠绕冷性PVC胶带;
③在薄壁不锈钢管上套装热塑管。
⑹安装完毕的干管,不得有明显的起伏、弯曲等现象,管外壁应无损伤。
6、管道连接
⑴双卡压连接步骤:
①检查管件外观、形状、尺寸,确认密封圈完好,同时将管内管外污物擦拭干净;
②切割后的管材,内外毛刺可用专用倒角工具或锉刀彻底去除;
③承插时先标记划线,再轻推慢进插入底部。如难插入时可用干净水或稀释后的洗洁精涂抹到管材外壁和管件承口密封圈处来润滑管材管件。管材插入管件承口深度与画线标记相吻合、调节量不大于 2mm,以确保管材插入深度,且插入过程中注意避免划伤管件内密封圈;
④进行卡压连接,压接时管材管件需保持在同一水平线;
⑤卡压连接时卡压部位两侧的管材会有轻微的变形,办了保证管材和管件之间的密封强度,管件与管件之间必须保持一定距离,DN15~25为20mm、DN32~50为30mm、DN60~100为50mm.如距离不够可采用 B 型配件。双卡压钳口两端对称,无方向。环压钳口有方向性,管件承口端部应放在钳口金属面一端;
⑥压接完成之后,采用配套的六角量规进行检验,当量规不能放入压接位置时,可再次在原六角压模位置重新压接,如仍达不到规定要求,应检查钳座钳口是否正常。
⑵环压连接步骤:
①检查所用模块规格与待安装管路规格是否一致,同时查看模块、检查液压泵及检查压力表;
②用量具确定所需管材长度后截取管材;
③预装密封圈时将管材插入至管件底部,并在密封圈预装位置做记号画线定位,拉出管材,将密封圈套至有标记处。将套好的管材再次插入管件底部,并使密封圈与管件密封段端口齐平。密封圈上不允许有沙粒、破损、油污;若DN65以上密封圈套入时过紧,可在管材表面抹少许清水,但严禁使用油脂润滑。密封圈套在管材上时不允许扭曲;
④环压连接时将管道放入钳口中,管件端口放在模块密封段的台阶上定位,合上钳口后,将两支圆柱销插到位才可加压操作。然后查看压力表,当达到额定压强后稳压3秒以上;
⑤安装完成后检查压接质量卸压后取出环压成型管道。要求压接部位360°压痕应凹凸均匀;管件端面与管材结合处应紧密无间隙;管件端面与管材压合缝露出的残余密封圈能轻松去除。
⑶沟槽连接:
①DN125 及以上规格首选沟槽连接,首先将管材及管件两端中心线对齐,保持在同一高度;
②将密封圈从卡箍内取出,套在连接处端口,密封圈均匀分布在连接处两端;
③通过紧固螺栓锁紧卡箍;
④沟槽管材及卡箍尺寸应符合CJ/T151-2017 中规定的要求。
7、其他事项
以上未列事项,应符合 GB/T29038-2012《薄壁不锈钢管道技术规范》中技术要求。
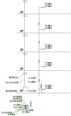
十四、供水管道支架安装规范
1、支吊架施工必须注意要点:
⑴适用范围:管道井立管、地下室;
⑵严格按照设计图要求和现场实际情况所确定的支吊架形式和距离进行施工;
⑶支架、吊架安装前应对材料进行核查厚度、除锈、打磨、必须先油漆后安装,刷防锈漆二遍、面漆两遍的防腐处理工作;
⑷支吊架制作时,下料一定要准确,两端导角打磨,只允许用钻打孔;
⑸同一规格的支架要求几何尺寸一致,大小相同,外形规矩;
⑹支吊架拼缝连接时,焊缝的宽度不得小于4毫米,必须全长焊满;
⑺严禁焊接时角钢、槽钢的平面在下面,而翻边、槽口向上或向外。
2、设置安装位置必须注意要点:
⑴地下室建议采用龙门型支架,依据现行规范及现场实际情况确定按照“逢主梁依梁安装一个,两主梁中间吸顶安装一个”的原则进行排布,基本间距在3米左右,其中a、采用角铁吸顶安装时规格大于配套支架的角铁固定在顶板上,吸顶安装膨胀螺栓不得少于8个,角铁支架要双面满焊固定在吸顶角铁上;b、采用槽钢吸顶安装时规格不小于150㎜*150㎜且δ≧6㎜的钢板固定在顶板上,吸顶安装膨胀螺栓不得少于8个,槽钢双面满焊固定在钢板上;c、依梁安装角钢或槽钢膨胀螺栓数量不得小于4个;示意图如下:
①龙门式支吊架(角铁类):
适用于:地下室吸顶安装,供水管道数量小于3根
适用于:地下室过梁安装,供水管道数量小于3根
②龙门式支吊架(槽钢类):

适用于:地下室龙门式支吊架(槽钢类)吸顶安装供水管道数量大于3根小于6根

适用于:地下室龙门式支吊架(槽钢类)梁式安装供水管道数量大于3根小于6根
⑵地下室多根及户改外墙管
①三角支架:建议用于地下室内多根供水管(靠墙安装)、户改外墙立管,根据管径大小采用规格不小于∟40*40*4三角支架,均匀安装在混凝土墙体和墙体结实的砖墙上,严禁安装在灰缝上。对于户改外墙立管(层高3米内):a、一楼的起点高度在1.8-2米层高;b、对于每层有成品管卡固定,6层不低于3个三角支架进行加固,8层不低于4个三角支架进行加固;c、因施工环境限制无法使用成品管卡固定,每层不少于1个三角支架进行加固,示意图如下:
适用于:地下室多根供水管靠砖墙或混凝土墙安装

适用于:户改外墙管靠砖墙或混凝土墙安装
⑶管道井内多根立管及单根立管
①门式支架:建议用于管道井内多根立管、墙体结构是泡沫砖,根据管径大小采用规格不小于∟40*40*4门式支架,3米层高,每层不得少于2个支架,安装在圈梁或构造柱上。示意图如下:

适用于:管道井多根立管安装(墙体为泡沫砖,安装在圈梁和构造柱上
②三角支架:建议用于管道井内单根立管、分别均匀安装在圈梁上混凝土墙体和墙体结实的砖墙上,严禁安装在灰缝上,根据管径大小采用规格不小于∟40*40*4三角支架,3米层高,每层不得少于2个三角支架。示意图如下:

适用于:管道井单根立管靠砖墙或混凝土墙安装
⑷室外的地面、露台的地面及室内泵房间进出沿地面敷设管道:这部分的支架必须安装在高于地面不少于50mm的水泥基础上。

⑸其它需设置支架的位置
在管道穿墙处,上返的水平管道或下返的水平弯管下加设支架;在明装水表的前后设置固定支架;大于DN50的闸阀、减压阀、过滤器、电动阀等阀体两边的150毫米处水平管道下各设一个支吊架,在大于100以上的管道阀体两边250毫米处水平管道下设置支吊架外,并在阀体下设置专业的支架(支座);管道与水泵的进出管连接时,在离软接头100毫米处的水平管道处设置一个防晃固定支吊架;在管道井内安装管道时,在进入管道井内时的管道弯管下设置牢固的承重管支架。当安装PP—R、PE塑料管道时如采角钢、槽钢制作的支吊架时,应用橡胶板将管子与支架隔离,免得支吊架固定时破坏塑料管表面。当大于等于DNl00的塑料管水平在角钢支架上敷设时,在塑料管的下部应设置半圆形的扁钢支座,不得将塑料管直接固定在角钢上,以免日久塑料管产生变形。
⑹以上常用的是管道支架的示意图,不同的工程项目中由于管道的材质、管径的大小、管道的数量不同,支架的承重力和螺丝的规格不同,建议由设计部门根据实际情况核实使用的支架及用材规格、实际尺寸,标注管道支架安装详图以备便于具体项目施工使用。管道支架作为施工的重要环节、关键部位在开工前按设计图纸及施工工艺要求做专项交底,同时交底记录作为归档竣工资料。
3、常用膨胀螺栓(M10、M8)的使用要求
⑴M10膨胀螺栓尺寸(现场实测)
①M10膨胀螺栓长度100mm(实际使用中长度不能低于100mm);
②M10膨胀螺栓钻孔深度不小于75mm;
③M10膨胀螺栓钻孔直径14mm;
④M10膨胀螺栓垫片厚度不小于2.5mm;
⑤套筒厚度不小于1mm;
⑥M10膨胀螺栓螺杆直径10mm(实测9.6mm);
⑦垫片直径不小于30mm。
 
 
⑵M8膨胀螺栓尺寸(现场实测)
①M8膨胀螺栓垫片厚度不小于2.0mm;
②M8膨胀螺栓垫片直径不小于24mm;
③M8膨胀螺栓套筒长度不小于50mm;
④M8膨胀螺栓钻孔直径12mm;
⑤M8膨胀螺栓长度不小于80mm。


十五、二次供水设备的技术要求
1、基本要求
⑴城市居民住宅生活饮用水用户对水压、水量要求超过供水管网的供水能力时,必须建设二次供水设施;
⑵二次供水不得影响城市供水管网正常供水;
⑶二次供水系统设计应与城市供水管网的供水能力和用户的用水需求相匹配;
⑷二次供水系统的设计应满足安全运行和节能、节地、节水、节材的要求,并应符合环境保护、施工安装、操作管理、维修检测等要求;’
⑸新建二次供水设施应与主体工程同时设计、同时施工、同时投入使用;
⑹二次供水工程的设计、施工应由具有相应资质的单位承担;
⑺二次供水设施应独立设置,并应有建筑围护结构;
⑻二次供水设施应具有防污染措施;
⑼二次供水设施中的涉水产品应符合现行国家标准《生活饮用水输配水设备及防护材料的安全性评价标准》(GB/T17219)的有关
规定;
⑽二次供水设备应有铭牌标识和产品质量相关资料;
⑾供应生活用水的增压设备、水箱(池) 及管网等二次供水设施应独立设置,不应与非生活供水的加压设备、水箱(池)等合建;
⑿二次供水增压系统应考虑防止水锤产生和消除水锤影响措施;
⒀二次增压泵房进出水总管道上应设置维修闸阀、低阻力倒流防止装置、持压阀;
⒁二次供水系统须采用自动化控制设备,泵房无人值守。
2、水质、水量、水压
⑴二次供水水质应符合现行国家标准
《生活饮用水卫生标准》(GB5749)的有关规定;
⑵二次供水水量应根据小区及建筑物使用性质、规模、用水范围、用水器具及设备用水量进行计算确定。用水定额及计算方法,应符合现行国家标准《建筑给水排水设计规范》(GB50015)、《室 外 给 水 设 计 规 范》(GB50013)、《城市居民生活用水量标准》(GB/ T50331)的有关规定;
⑶二次供水系统的供水压力应根据最不利用水点的工作压力确定。
3、系统选择
⑴二次供水应充分利用城市供水管网压力,并依据城市供水管网条件,综合考虑小区或建筑物类别、高度、使用标准等因素,经技术经济比较后合理选择二次供水系统;
⑵二次供水系统可采用下列方式:
方式1:市政供水管网——高位水池(箱)——用户;
方式2:市政供水管网——低位水池(箱)——用户;
方式3:市政供水管网——低位水池——增压设施(箱)——高位水池(箱)——用户;
方式4:市政供水管网——增压设施——用户。
⑶二次供水方式的选择
应根据市政管网压力、流量和小区(建筑)规划指标、场地竖向设计以及用水安全要
求等因素,合理确定二次供水方式和规模及适用条件:
①与增压设施进水管直接相连接的市政管道管径≥DN300 且最低压力≥0.28Mpa,供水量应得到充分满足;
②增压设施进水管过水面积不大于市政管道过水面积的1/3,流速宜≤1.2m/s;
③需征得供水企业审核同意后方可选择使用。
4、水池(箱)技术要求:
⑴水池(箱)应符合国家现行标准《建筑给水排水设计规范》(GB50015)、《二次供水设施卫生规范》(GB17051)的有关规定,矩形给水箱参照现行国家标准图集《矩形给水箱》
(02S101)进行安装;
⑵水箱应选用食品卫生级不锈钢(牌号不低于06Cr19Ni10)材料制作,焊接材料与其他结构件应与水箱材质相匹配,焊缝应进行抗氧化处理;
⑶水池(箱)宜独立设置,且结构合理、内壁光洁、内拉筋无毛刺、不渗漏;
⑷水池(箱)宜设置在维护方便、通风良好的房间内;室外设置的水池(箱)及管道应有防冻、隔热措施;
⑸水池高度不宜超过 3.5m,水箱高度不宜超过3m。当水池(箱)高度大于1.5m 时,水池(箱)内外应设置爬梯;
⑹建筑物内水池(箱)侧壁与墙面间距不宜小于0.7m,安装有管道的侧面,净距不宜小于1.0m;水池(箱)与室内建筑凸出部分间距不宜小于0.5m;水池(箱)顶部与楼板间距不宜小于0.8m;水池(箱)底部应架空,距地面不宜小于0.5m,并应具有排水条件;
⑺水池(箱)应设进水管、出水管、溢流管、泄水管、通气管、人孔,并应符合下列规定:
①进水管的设置应符合现行国家标准
《建筑给水排水设计规范》(GB50015)的规定;
②出水管管底应高于水池(箱)内底,高差不小于0.1m;
③进、出水管的布置不得产生水流短路, 必要时应设导流装置;
④进、出水管上必须安装阀门,水池(箱) 宜设置水位监控和溢流报警装置;
⑤溢流管管径应大于进水管管径,宜采用水平喇叭口溢水,溢流管出口末端应设置耐腐蚀材料防护网,与排水系统不得直接连接并应有不小于0.2m的空气间隙;
⑥泄水管应设在水池(箱)底部,管径不应小于DN50。水池(箱)底部宜有坡度,并坡向泄水管或集水坑。泄水管与排水系统不得直接连接并应有不小于0.2m的空气间隙;
⑦通气管管径不应小于DN25,通气管口应采取防护措施;
⑧水池(箱)人孔必须加盖、带锁、封闭严密,人孔高出水池(箱)外顶不应小于 0.1m。圆型人孔直径不应小于0.7m,方型人孔每边长不应小于0.6m;
⑨水箱(池)在投入使用前,必须做满水试验,并强制清洗消毒。
⑻压力水容器技术要求:
①压力水容器应符合现行国家标准《钢制压力容器》(GB150)及有关标准的规定;
②压力水容器应选用食品卫生级不锈钢
(牌号不低于6Cr19Ni10)材料制作,焊接材料应与压力水容器材质相匹配,焊缝应进行抗氧化处理;
③二次供水宜采用隔膜式气压给水设备。当采用补气式气压给水设备时,宜安装空气处理装置;
④气压罐的有效容积应与水泵允许启停次数相匹配。
⑼水泵技术要求:
①居住建筑二次供水设施选用的水泵, 噪声应符合行业标准《泵的噪声测量与评价方法》(JB/T8098)中的A级要求;振动应符合行业标准《泵的振动测量与评价方法》(JB/T8098) 中的A级要求;
②二次加压的系统应采取全自动控制,并备有手动控制模式,必须设有备用水泵。水泵应采用自灌式启动,变频加压系统应加调节水罐。每台水泵的出水管应设闸阀、低噪音式防水锤止回阀、伸缩器(橡胶接头)、压力表,总出水干管应设置总阀,每台水泵的吸水管上必须装设闸阀。水泵与基座间应安装减震装置,立式泵应用减震器。
⑽二次供水设施中的水泵选择应符合下列规定:
①水泵运行效率高效区不低于70%;
②水泵泵机叶轮、泵轴、腔体、外套材质应选用不锈钢材质;使用铸铁部件的,表面须采用静电环氧树脂电泳处理;
③ 水泵配套电机防护等级应不低于
IP55;绝缘等级应不低于F(IEC85);
④采用变频调速控制时,水泵额定转速
时的工作点应位于水泵高效区的末端;
⑤用水量变化较大的用户,宜采用多台水泵组合供水;
⑥应设置备用水泵,备用泵的供水能力应不小于最大一台运行水泵的供水能力;
⑦每台水泵的出水管上,应装设柔性接头、压力表、止回阀和阀门,必要时应设置水锤消除装置;
⑧压力传感器应安装在出水总管的震动小、水压平稳处。压力表量程选择应为工作压力的1.5-2.0 倍。
⑾消毒设备技术要求:
①二次供水设施的水池(箱)应设置消毒设施接口;
②二次供水消毒设备宜采用含氯的消毒方式。
⑿未尽事宜按《湖北省城镇二次供水工程技术导则》执行。
十六、附件及附属构筑物
1、井室修砌
(1)地基部分处理
①井室位于车行道或小区通车路面、车库前:地基采用10㎝C15 混凝土垫层,根据井室大小同时预埋6-8 个DN25PVC 排水孔或Φ 200-Φ300PVC 排水孔(渗水);
②井室位于人行道、绿化带、田地:在砖墙下方的地基采用C15 混凝土垫层,井室内原土夯实(渗水)。
(2)墙体部分:
①Φ80-Φ300 报装总表水表井、闸门井墙体厚度为240mm;
②户表水表井、Φ15-Φ50 报装总表水表井墙体厚度为120mm;
③砖采用强度等级≥MU7.5 砖砌筑,水泥砂浆采用M7.5 级水泥砂浆;
④抹面:砖砌井壁外表不抹灰,内表面采用1:2 水泥砂浆抹面;
⑤砌筑结构灰浆:饱满、灰缝平直、不得有通缝、瞎缝,井内抹面应密实平整,不得有空鼓,裂缝等现象,混凝土观感无明显瑕疵;
⑥穿管与井壁洞口的衔接做法:井壁与穿管管顶部分采用砖砌挑梁,管顶与挑梁部分应有 30mm 空间, 不可直接将井壁修砌在管体上;
⑦>DN300 的阀门采用直筒式阀门井,≤ DN300 的阀门采用收口式阀门井(因施工客观环境限制,井室开挖深度的深度达不到1 米以上的,由施工单位填写特殊部位工作记录表,经质量部与管网运营公司现场会商后,在能满足维修空间需求时,可采用直筒式或方形阀门井);
⑧井底到管道承口或法兰盘的距离至少为100㎜,法兰盘和井壁的距离应大于150㎜, 从承口外缘到井壁的距离在300㎜以上;
⑨布置在人行道上的阀门井,井盖与道路高程一致;布置在通车路面或小区道路下的阀门井,井盖上表面应与路面相平,允许偏差为+5㎜;布置在绿化带或不通车的地方阀门井,井盖上表面应高出地坪50㎜,并在井口周围向外做水泥砂浆护坡。
2、水表选用及安装
水表作为供水企业与用户之间的贸易结算器具,其计量精度准确性直接关系公司和用户之间经济利益,选择合适的水表尤为重要,结合公司的实际情况,水表选用具体要求如下:
⑴水表选用:
①贸易结算水表口径 DN15-DN40 以下
(含DN40)水表选用LXS 水平旋翼式水表,口径为 DN50-DN80 以上选用 LXS 水平旋翼式水表或WS 垂直螺翼式水表,用水量较大的企事业单位、距离较远的远郊企事业单位、DN100 以上立户用表可以采用流量计;
②消防用表选用LXS 水平旋翼式水表或
WS 垂直螺翼式水表;
③规模达到100 户左右的小区安装校核表,校核表选用LXS 水平旋翼式水表、LXL 水平螺翼式水表或流量计,以 LXS 水平旋翼式水表或流量计作为优先型号,原贸易结算水表能够满足使用要求的可转作校核表给予保留;重新开口安装校核表的,设计单位现场勘测后给予确定;
④小区户表改造工程中多层可集中与楼前单元两侧设置的地埋水表井立户用表采用LXS 水平旋翼式水表;
⑤高层主宅楼设立给水管道井的采用水平旋翼式集抄表,将水表输出系统与安装于户外的数据显示装置相连,选择带集抄器的集抄表;
⑥新报装工程禁止使用修复表。
⑵安装规范要求:
①单位报装总表的,总表应安装在单位
大门(或围墙)外2 米,流量计、远传水表安装在单位围墙内。任何水表严禁安装在抄表不便及离污水管不到2m的地方;
②水表及流量计应安装在便于检修和读数,不受暴晒、冻结、污染和机械损伤的地方, 便于拆装及读数;
③旋翼式、螺翼式水表、旋翼式集抄表的前端应有5~10 倍水表公称直径的直管道,其它类型水表前后,宜有不小于300mm 的直管道,流量计前直管段长度>流量计直径10 倍,流量计后直管段长度>流量计直径5 倍;
④旋翼式、螺翼式水表、旋翼式集抄表、垂直螺翼式水表及流量计应水平安装;当垂直安装时水流方向必须自下而上;
⑤小于等于DN20 水表,表前采用防盗阀,表后采用铜闸阀;大于DN20 水表,表前表后采用闸阀;
⑥水表必须水平安装,应字面朝上,并使表壳上的箭头方向与管道流水方向相同;
⑦当水表可能发生反转、影响计量和损坏水表时,应在水表后设止回阀。(以审批后设计图纸为准);
⑧新敷设的管道安装水表前必须要先清除管内石子、泥沙、麻丝及沥青等杂物,以保证精确度和寿命。
3、室外消防栓安装:
适用范围:适用于工作压力不大于1.0Mpa 的室外给水管网系统中的消火栓安装工程。
⑴设置的基本要求:
①室外消火栓设置安装应明显容易发现,方便出水操作,消防水表井内管件及水表安装必须按设计要求施工;
②市政道路上设置的消火栓应沿道路铺设,道路宽度超过 60m 时,宜两侧设置,并宜靠近十字路口,布置间隔不应大于120m,距离道路边缘不应超过2m,小区和居民区的消火栓距离建筑外墙不宜小于5m,距离高层建筑外墙不宜大于40m;
③对于工艺装置区,或储罐区,应沿装置周围设置消火栓,间距不宜大于60m;
④管材、管件的检验:
a、严格检查消火栓开关是否灵活、严密、
吻合;
b、室外消火栓、阀门等型号选用满足设计
要求和公司招标品牌;
c、管材和管件均应出厂合格证。
⑤安装工艺要求:
a、消火栓管道的安装分支管安装和干管安装两种方式,根据现场的实际情况选用;
b、安装形式为“浅装”的消火栓,从干管接出的支管应尽量短;
c、消火栓短管与给水管道的连接可采用法兰、承插接口形式,一般情况下压力为1.6MPa 的采用法兰连接,压力为1.0MPa 的采用承插连接;
d、消火栓设有自动放水装置,当内置出 水阀门关闭时自动放空消火栓内留存的积水,以防消水栓冻裂;
e、消火栓弯管底座或消火栓三通下设支墩,支墩必须托紧弯管或三通底部;
f、地上式消火栓的放水嘴以下土层,应铺设一层卵石渗水层;
g、埋入土中的管道防腐按图纸设计要求, 法兰接口涂沥青冷底子油及沥青漆两道,并用沥青麻布或0.2mm 厚底塑料薄膜包严;
h、消火栓 DN100 出水口中心距地面高0.45m,立管部分垂直、稳固、进出口方向正确 、控 制 阀 门 井 距 离 消 火 栓 不 应 超 过2.5m;
i、管道穿过井壁处必须严密不漏水。



4、管道支墩:DN100 以上三通、弯头、阀门底部必需砌筑支抗墩,应符合以下规定:
⑴支墩设置在未经扰动的原土上;
⑵支抗墩抗压强度等级不小于C20;支抗墩形状、尺寸应满足所需部位的要求; ,
⑶支抗坑的锚定结构应位置准确、牢固,支抗墩应在坚固的地基上修筑,当采用砌筑支墩时,原状土与支墩间应采用水泥砂浆填塞;
⑷支墩的尺寸按设计要求,参照标准图
集。
5、地埋水表砖支护

水表基础在老(硬)土上,地基采用10cmC15混凝土垫层,根据井室大小同时预埋6-8个DN25PVC排水孔或Φ200-Φ300PVC排水孔。

水表基础在车行道或小区通车路面、车库前,地基采用10cmC15混凝土垫层。
6、管道标志砖(桩)、警示带、示踪线的设
置:供水管道属于隐蔽工程,施工回填时在管顶上方30㎝-50㎝处铺设警示带;工程完工后在管道的起始位置、道路交叉口、管道交叉点、分支点、转折点、变材点、变径点、直管段每隔50m 处加设标志砖(柱),标志砖(柱)的规格及警示标识按襄水政字〔2009〕20 号文相关规定执行。示踪线埋设根据设计要求敷设。
7、地下室的架空高、中、低压供水管道;管道井高、中、低压管道的分区标示设置:工程完工在进行打压测试前,地下室的架空高、中、低压管道、管道井高、中、低压管道的要设置分区标示,在管道的起始位置、管道交叉点、分支点、转折点、变材点、变径点、直管段每隔12m-18m 处加设分区标示。从地下室进楼栋单元管道井入口处设置楼栋单元号的标示。加压的低、中、高压泵按使用功能和加压分区功能及用途设置标示。
8、阀门井安装示意图




十七、小区管网及“一户一表”改造工程、新报装工程
1、小区地埋管网部分施工技术规范
⑴住宅小区、工业园区及企业、单位内,公称外径小于等于200mm 的配水干管,可沿建筑物周围布置,与外墙(柱)净距不宜小于 1.00m;
⑵聚乙烯埋地给水管管顶最小覆土深度,在小区楼前、楼后绿化带或人行道路面下不宜小于 0.7m,在轻型车行道下不宜小于 1.00m。遇到障碍物,一般从下方穿过或绕过障碍物,必须从障碍物上方穿过时应加装套管保护;
⑶管道无法下埋0.7m 以下特殊地段,应修砌管沟、回填清砂、加盖盖板;严禁直接将水泥包裹在管子身上;
⑷地埋管道安装应保持管道水平,安装;
⑸应随时清扫管道中杂物,暂停安装管道时,应封堵已装管道(包括上墙管道)的两端,以免杂物、污水进入管道内。管道铺设中安装的弯头、三通、闸门、法兰等处及管道末端应设支墩(支架);
⑹水表井位置设置不得位于机动车上,地下室坡道出入口处、车库门口、抽油烟机下方;
⑺管沟底部铺设 100㎜砂垫层,清砂回填管顶100㎜并夯实;
(8)水泥路面的拆除及恢复;
①切缝前必须放线;
②切缝深度应在5㎝以上;
③路面破除不得采用锤式破路机;
④恢复在管沟回填土夯实后先铺装碎石垫层压实再采用与原路面相匹配或高于商品砼进行恢复达到保养期后方可拆除围挡;
⑤管道与建筑物、构筑物和其他工程管线之间最小水平净距离宜符合以下规定:
|
间 规格距(m)
|
≦200mm |
>200mm |
|
与建筑物 |
1.00 |
3.00 |
|
与雨污水管 |
0.5~1.00 |
1.0~1.50 |
|
与燃气管 |
0.50(中低压管)
1.0~1.50(高压管) |
0.50(中低压管)
1.0~1.50(高压管) |
|
与电力电缆 |
0.50 |
0.50 |
|
与乔木灌木 |
1.50 |
1.50 |
|
与通信照明电
缆 |
0.50 |
0.50 |
|
与高压铁塔基
础 |
3.00 |
3.00 |
|
与道路侧石边
缘 |
1.5 |
1.5 |
|
与铁路坡脚 |
5.00 |
5.00 |
⑥因施工条件及外部环境影响,当上述间距和深度难以保证时,由施工单位填写《特殊部位工作记录表》经质量部与管网运营公司、施工单位现场会商后,确定合理、必要的安全技术措施,保证供水管线安全运营,施工单位将处理后的图片附在《特殊部位工作记录表》背面,作为竣工验收证明资料。
2、“一户一表”改造工程管路施工规范
⑴单立管、单支管保温:单立管、单支管外加保温套管,用胶带扎紧,再外套PVC 排水管,特别是在三通、转角、穿墙处不允许在保温层外只用胶带随意性缠绕,必须量好尺寸, 要加套PVC 排水管,外套管两侧打管卡固定;
⑵立管部分均安装在Ф160-Ф110PVC 套管内,每层从Ф160-Ф110×50 的45°斜三通引出支管;
⑶进户穿墙部分应安装Ф50 穿管套管
⑷斜立管的出口到进墙的入口之间的进户支管需加装保温套管,外面用塑料带缠绕;
⑸安装时须先在墙面放线定位,保证眼
位和洞口横平竖直、外观整洁;
⑹进水主管总成外径六层以上DN75mm(含六层),六层以下DN63mm,支管DN32mmPE 管,Ф20 水表;
⑺PE 管热熔操作时不允许借角及扭动, 不得有缩径现象;
⑻室外立管及支管安装要弹墨线,管道尽量贴墙安装,做到横平竖直,并尽量避开风口以利保温,如安装在垃圾道内要打管卡固定;
⑼支管安装尽量避开扶手及踏脚高度, 进户PVC 弯头处挖10㎝深圆孔,缠裹保,温棉埋入,完工后用水泥将开孔处涂抹平整,同心眼处砌2㎝高防水坡,原白墙要抹白石灰;
⑽楼外管道安装,顶层及支管另加双层保温棉。保温棉要裹缠到位,不得有脱节、裂缝现象。PVC 三通,弯头处可将保温材料撕开缠裹,外套管两侧打管卡固定,室内原表必须拆除;
⑾户改工程中外墙是双立管的,表后DN32PE 管的沟槽与楼前管道沟槽在安装时应施工作业面的限制要共沟的,由施工单位填写《特殊部位工作记录表》,经质量部与管网运营公司现场会商后,在能满足维修空间需求时,表前管线与表后管线在平面和竖向净距不小于20㎝;
⑿整单元改装后原表拆除,尽量利用原进水口,不能利用必须从接水根部加堵头闷死并用混凝土埋掉;
⒀表后DN32PE 管的必须从在Ф1160-Ф 110PVC 套管45°斜三通引出支管引出;
⒁户表改造中,如一侧用户全部改完, 必须将本侧原送水管水源切断;
⒂竣工后要做逐户通水试验,彻底排查有无漏水及装错水表现象,并为用户检查室内设备可有漏水情况。
立管安装示意图如下:

3、“一户一表”改造工程地埋式水表井与壁挂式水表箱选择及施工规范:
⑴地埋水表井位置确定:因襄阳本市建筑上、下水集中在北侧较多,给地埋式水表的安装带来了一定的困难,在设计阶段要进行仔细的实地踏勘,充分了解地下各种管线的相对位置,合理布置管线,与属地营业所联系确定水表井的安装位置,便于后期施工;
⑵地埋水表井采取方式:
①楼外地面有空间的采用的地埋式表井,井盖与楼外地面高差在+5㎜,池内回填清砂至水表盖,地埋水表井的修砌尺寸及要求按后附图执行;
②地面有污水流出的采用地埋式表井适当加高,为方便住户出行加高处四周做以缓坡;
③离化粪池或其它障碍物较接近的,加长表前或表后管道,移到安全距离;
④确实因施工空间、环境限制不能采用地埋式水表井的,施工单位经设计部门、供水营销部、工程质量部同意后方可采用壁挂式水表箱,表箱应做好表箱防冻密封保护,箱内水表安装牢固,表前后设固定表卡,水表必须安装水平,使用的总层间距不小于170㎜,箱门四周有密封条,必须不小于15㎜的保温层,表箱安装时与墙面接触有空隙用保温棉(胶) 密封或用砖砌保温,上下进出水管套管与表箱有空隙部分采用发泡胶封堵,箱底离地面保持10-20㎝间距并砖砌外粉加以保护;
⑤表后加装铜质闸阀:为提高用户自行处置突发事件的能力,表后的必须加装铜质闸阀(含水表箱),任何施工单位不能擅自取消;
⑥单元楼、楼前控制阀门采用PE 材质球阀,采用采用壁挂式水表箱应设置独立单元阀井
4、报装总表水表井(DN15-DN300)安装基本示意图
1:水表井尺寸参考值。
|
序号 |
水表口径 |
水表井长度
(A) |
水表井宽度
(B) |
水表井深度
(M) |
水表井厚度
(δ) |
|
1 |
DN15/ DN20 |
0.6m |
0.35m |
0.35m |
0.12m |
|
2 |
DN25 |
0.8m |
0.6m |
0.6m |
0.12m |
|
3 |
DN40 |
1.0m |
0.8m |
0.8m |
0.12m |
|
序号 |
水表口径 |
水表井长度
(A) |
水表井宽度
(B) |
水表井深度
(M) |
水表井厚度
(δ) |
|
4 |
DN50 |
1.0m |
0.8m |
1.0m |
0.24m |
|
5 |
DN80 |
1.5m |
1.0m |
1.0m |
0.24m |
|
6 |
DN100 |
1.75m |
1.25m |
1.2m |
0.24m |
|
7 |
DN150 |
1.75m |
1.25m |
1.2m |
0.24m |
|
8 |
D200 |
2.0m |
1.5m |
1.5m |
0.24m |
|
9 |
D250 |
2.5m |
1.5m |
1.5m |
0.24m |
|
10 |
D300 |
3.0m |
1.75m |
2m |
0.24m |
以上是按水表安装基本必备管件确定的井室尺寸,根据工程实际情况,需要在水表后加装止回阀、滤网、泄水阀等相关管件的,以设计尺寸为准。
5、电磁流量计安装施工技术要求及示意图
十八、高层住宅管道井内水表安装
住宅建筑应在建筑物内公共部位设置给水管道井(水表井)安装水表及公共管道,并应满足以下要求:
1、管道井必须设有照明设施及动力电源、排水设施;
2、管道井楼层之间必须有隔板,管道井壁和门的耐火极限及管道井的竖向防火墙应符合消防规范的规定;
3、管道井内应保证不结冻,否则应采取适当的保温措施(参照相关规范);
4、给水管道外壁(或保温层外壁)与其他管道外壁(或保温层外壁)之间的最小净距≥ 0.1m,与其他管道合用的管道井,应满足水表及供水管道的安装及维护要求;
5、水表应设置在正对管道井出口处,且
中间无障碍物或其他管线穿插;
6、同楼层水表水平布置时,水表之间的间距不小于200㎜,最低层水表安装高度应高于底板300㎜,最高层不超过1400㎜,水表垂直布置时,水表之间的间距不小于200㎜,最里面水表距墙净距大于50㎜;
7、水表两侧应固定,水表及水管需设置固定支架,以保证水表的安全使用、维修、更换;
8、水表安装应保持水平,不得歪装或反向安装;
9、为保证水表下户及时性和准确性,待甲方完成表后碰口后共同逐户通水测试,在确定表号、房间号无异议后,施工人员将房号全称标识在分水器三通上,按顺序排列,不准串号;
10、集抄水表采集器采用壁挂安装,四个固定孔,采用Φ6 膨胀丝将采集器固定于墙体表面(一般在一层管道井),安装高度控制在离管道井成型地面不超过1.5m 处,方便抄手人员插手持器的位置,不被雨淋、不被强光直射的地方,安装位置应低于防雷网,采集器禁止安装在地下室。通讯线的走线必须加护线套管,沿墙壁敷设管道外壁横平竖直每隔1-2 米用管卡固定,严禁采用扎带捆绑在供水立管上,转换到每块集抄表的必须采用分线盒按序与水表对接;

11、高层管道井集抄水表安装示意图及施工技术要求:
12、在管道井水表组件部位加装水表托架,具体内容如下:
(1)管道井水表水平安装托架示意图

(2)管道井水表立式安装托架示意图

十九、供水管道水压(气压)试验及冲洗消毒
1、水压试验
⑴采用施工中分段试压或完工整体试压的方式。(①但在分段打压合格后由于施工中供水管道又受到外力破坏,工程完工后要整体打压;②开口挂表、直线管段在10m 以内的报装工程暂定不进行打压试验)
⑵管道敷设完毕且经检验合格后,除接头部分可外露外,管道两侧和管顶以上的回填高度不宜小于0.5m,之后进行强度和严密性试验,检验时管接头部位应外露观察。检验应按井距分隔,利用阀门间的管段作为试压管段,在施工前加一个钢制试压配件,当安装管道阀门位置处,先不装阀门,装试压配件,当水压试压各项指标合格后,根据所需安装阀门等配件长度将该试压配件取出装上阀门。水压试验合格后,应及时回填沟槽的其余部分;
⑶采用顶管施工的管道焊接完成经试压合格后方可顶入;
⑷DN200 以上阀门在安装前逐个进行外观检查,阀体的全开全闭位置是否满足使用要求,经检验合格后在阀门前后接甲乙短管, 形成封闭管段,接加压泵试压;
⑸管道水压试验时,应符合下表
|
管材种类 |
工作压力 |
试验压力 |
|
球墨铸铁管 |
≤0.5 |
2P |
|
>0.5 |
P+0.5 |
|
钢管 |
P |
P+0.5,且不小于0.9 |
|
化学建材管 |
≥0.1 |
1.5P,且不小于0.8 |
⑹管道强度试验
水压升至试验压力后,保持恒压10 分钟, 检查接口、管身无破损及漏水现象时,强度试验合格。
⑺管道严密性试验
在试验压力下,10min压降不大于0.05MPa,且管道及附件无损坏,试验压力降至工作压力,保持2h,进行外观检查,无漏水现象,严密性试验合格。
(8)管道试压其它事项:
①应分级升压,每升一级应检查后背、支墩、管身及接口,当无异常现象时,再继续升压;
②升压试验时,后背顶撑,管道两段严禁站人;
③管道水压试验分段长度不宜大于 1.0
㎞,要选用相应等级的压力表,试压前后要进行“复零”检查。
2、冲洗消毒:
⑴管道水压试验后,竣工验收前应冲洗消毒;
⑵冲洗时应避开用水高峰,以流速不小于1.0m/s 的冲洗水连续冲洗,直至出水口处浊度、色度与入口处浊度、色度相同为止;
⑶冲洗完毕后须经公司水质部门取样化
验合格为止。
3、对于高层或多层供水小区水压试验: 采用分系统分区有步骤有计划的试压测试, 根据每项工程的具体情况试压前施工单位拟定试压方案,保证试压的可靠性,每分部系统自测合格后填写自测记录,供水工程质量管理部按自测合格后的记录分系统抽检 50%,此外在试压测试前每个系统(地下室管道部分、管道井部分、地面管网部分)所涉及的供水管道都按要求埋设或粘贴标识,明确供水管路的路径,便于后期供水管线的运营、维护管理。
二十、工程验收
工程质量验收是全面考核建设成果、检查设计、工程质量、确保安全供水的重要环节,对于发挥公司效益,不断提高施工管理水平都有着重要的作用,根据国家现行设计、施工及验收规范,结合公司实际情况,验收办法如下:
第一条适合范围:2015 年3 月1 号起新开工的报装工程、户表改造工程竣工验收工作, 由供水工程质量管理部统一协调、组织。
第二条基本原则:工程质量验收必须遵循质量第一、公平公正、程序合理、操作规范的原则。
第三条工程验收依据:
(一)《GB50268-2008 给水排水管道工程施工及验收规范》
(二)《襄阳中环水务有限公司供水管道工程施工验收规程》
(三)正式施工图纸和设计变更
(四)管线定位记录表
(五)技术交底记录
第四条工程验收工作内容:
验收内容包括:施工过程各道工序验收; 水表(箱、井、阀)部分验收、下户;对特殊施工(参见105-106页)条件的处理验收;工程竣工后正式验收。
1、关于施工过程各道工序的验收:
⑴施工单位负责每道工序质量的落实,供水工程质量管理部负责对合格工序质量确认和对检验过程中发现不合格工序的纠正处理。每道工序在施工单位自检后由施工员及时填制公司统一印制的施工质量记录表,至少提前一天通知供水工程质量管理部到场采取外观检查、实际测量等手段对工程质量检验,经检验符合设计要求和《襄阳中环水务有限公司供水管道工程施工验收规程》关标准后签字认可,方可进行下一道工序施工。
⑵各道工序验收流程:设计人员技术交底
→放线→验线→沟槽开挖→验槽→管材报验
→管材抽检→管道安装(地埋管道、外墙管道、管道井、地下室部分)→验管道安装质量
→井室修砌→验井室质量→管道冲洗、试压, 其中验线、验槽、验管材质量、验管道安装质量、验井室质量、管道冲洗、试压环节由供水
工程质量管理部负责监督检查。
⑶施工过程的质量记录资料填写必须真实、准确与进度同步,不能错报、谎报、瞒报, 否则供水工程质量管理部将不予认可,因资料记录不真实或超过现场交底之日起三个工作日不报,影响验收质量及损失由施工人员自行负责。
2、关于报装工程、户表改造工程中对水表(箱、井、阀)部分验收、下户:
⑴一户一表水表安装及入户碰通的顺序:
水表安装位置与用户信息录入的顺序:施工单位在施工时要合理安排楼前管道、三通预留口、总承的安装位置,表后管碰通时应遵循如下安装顺序:
①地埋式水表:面对楼栋及表井定位,从左向右,对应一楼至顶楼,分别表述为左1表、左2表、左3表……等,如下图所示

②壁挂式水表:从上向下,对应一楼至顶楼,分别表述为低1表、低2表、低3表……等,如下图所示

⑵壁挂式水表箱及地埋式水表井位置的确定:
①对于有楼栋单元明确的水表箱(井)定位原则,面对楼栋单元为参照从左向右依次排序{含起端及尾端水表箱(井)位于楼栋两侧的},分别表述为左1箱(井)、左2箱(井)、左3箱(井)……等,如下图所示


②对没有楼栋单元或楼栋不明确的水表箱(井)定位原则{含起端及尾端水表箱(井)位于楼栋两侧的},以永久的参照物为基准从左向右依次标注左1箱(井)、左2箱(井)、左3箱(井)……等。
⑶水表下户信息录入的规范、及时性
①为了保证下户信息录入的规范性、及时性在原有的花名册信息中添加水表位置的录入信息,综上所述,以图为例(某楼栋为3个单元)水表位置表示如:某楼左4井左4表对应2单元4楼右用户(如图1红色标记);某楼左4箱低5表对应2单元4楼右用户。
②下户验收施工单位须配合属地营业所做好抄验工作。
③后附小区水表定位图样板、用户花名册样板。


3、对水表(箱、井、阀)部分验收:由施工单位向属地营业所申报,在水表(箱、井、阀)安装规范,满足抄表要求后,由属地营业抄收班长在《供水报装工程水表认证单》签字(表一)、售水事业部盖章。对水表下户:在水表(箱、井、阀)部分验收合格一周内,施工单位资料员将《城市供用水合同》、《业主方花名册》、《供水报装工程水表认证单》报供水营销部下户,若施工期间施工用水超过一吨的在《业主方花名册》给予注明。
4、户表新报装工程、改造工程,还需进行
通水调试,确保水表钢号、户名、房间号三者统一,若出现水表钢号、户名、房间号不相符的,由属地营业所通知施工单位在抄收第一个月内整改到位,对于接到通知逾期不予整改的,造成的水量损失由施工单位自行负责。。(如果暂无户名的房间,房号与户名具有同等效应,供水合同加盖小区物业公司印章)
5、对特殊施工条件的处理验收:
由于施工现场环境制约确实达不到施工规范要,求的技术标准,在施工过程中由施工单位以《供水管道工程特殊部位处理意见记录表》的方式向供水工程质量管理部提出,凡涉及阀门(井)、管线部分会同供水事业部(属地管网公司),涉及水表(井、箱、阀)部分的会同售水事业部(属地营业所)协商解决,二个工作日内由供水工程质量管理部在《供水管道工程特殊部位处理意见记录表》上签订合理处理意见并反馈施工单位,做为正式验收的质量证明文件,对于擅自处理造成验收不合格的,由施工单位自行解决。
6、关于正式竣,工验收
⑴正式竣工验收应具备条件:
①按设计内容、设计要求、施工规范施工完毕;
②施工过程中每道工序质量记录资料按规定签字、盖章;
③阀门及配套设施单体调试合格,满足管线运营要求;
④《供水报装工程水表认证单》签字、盖
章;
⑤特殊部位处理的《供水管道工程特殊
部位处理意见记录表》;
⑥提供四份与工程实际安装相符竣工
图;
⑦施工单位按以上六项内容将竣工资料
整理完毕。
⑵正式竣工验收的时间:一般每周四定为验收工作日,施工单位对照“正式验收应具备条件”自查合格后,填写《工程竣工验收报验单》(表二),提前两天将全部资料报送供水工程质量管理部申请正式竣工验收,供水工程质量部提前一天通知相关验收部门并通报验收内容、路线及时间节点。
⑶参加正式竣工验收人员要求:为了提高验收效率,在施工过程和水表(箱、井)部分验收合格后,竣工正式验收由供水工程质量管理部组织,属地管网公司、施工单位参与,属地管网公司根据各自的职责和分工必须要求有现场签字权的业务领导参加,对查验合格的工程要现场签字确认、供水事业部盖章,对有异议部分提出合理解决办法和整改时限,若现场不签字又无异议的视认为合格,各方验收合格签字完成后供水工程质量管理部将正式验收结果报告分管领导审批签署《工程正式竣工验收报告》(表三),签署完毕后每月28 号向施工单位、管网运营公司反馈《工程正式竣工验收报告》做为移交管线及附属设施管理依据。
⑷对于由我公司施工单位安装的二次加压设备,投入使用前,按本办法中各相关参验部门责任划分与报装工程一同进行验收。
7、正式竣工资料汇编及归档
⑴工程竣工资料内容
A类工程管理文件:施工协议、工程施工通知单、供水管道工程安全告知书、施工预算
B类工程技术文件:报装工程质量工作记录汇总表、技术及安全交底记录表、施工方案、设计变更
C类工程测量文件:工程定位测量记录表
D类施工记录文件:管沟开挖、回填施工质量记录表、PE 管连接施工质量记录表、PP-R 管连接施工质量记录(高层管道井)表、球墨铸铁管连接施工质量记录表、衬塑钢管连接施工质量记录(地下室/管道井)表、户表改造外墙部分工作质量记录表、薄壁不锈钢管连接施工质量记录(地下室/管道井)表、砖砌体(井室)施工质量记录表、供水管道冲洗水压试验记录表、户表工程入户通水测试工作记录表、管道标志桩埋设记录表
E类工程物料文件:材料、购配件、设备报验单表、材料设备合格证粘贴表
H类竣工验收文件:工程竣工图、供水报装工程水表认证单、工程竣工报验单、工程正式竣工验收单
⑵竣工资料的编制及归档
竣工资料必须做到要与工程实际相符。
竣工图必须准确,绘制清晰,能反映管道、管件实际安装定位、有详细的使用工程材料一览表(注明管径、材质、长度、厂家、型号)、节点大样图(注明:加工件的尺寸及壁厚),施工图中有变更部分重新绘制竣工图, 加盖“竣工图专用章”和绘制人签名。工程竣工资料编制整理完成后由供水工程质量管理部统一审核、编制,送交公司档案室归档。
二十一、公司强制条文
1、供水管道工程项目各方(包括设计方、施工方、监理方)必须严格贯彻执行国家安全生产法规和行业安全技术标准,施工方必须对照《建筑施工安全标准》落实供水管道施工安全技术措施;
2、现场施工人员配戴好安全帽,必须正确使用个人劳保用品;特殊工种持证上岗,特殊作业配戴相应的劳动安全保护用品。在进行开挖作业时,必须设置施工安全围挡,特别是不能当天完工的工地,除设置施工安全围挡外,还需设置警示标志和警示灯;对于交通比较密集地段,在施工地段前后100m 设置安全围挡和警示标志;对未按安全要求戴好安全帽和正确使用个人劳保用品及未设置施工安全围挡、警示标志和警示灯,造成人员伤亡费用由施工单位承担外按公司相应规定给以处罚;
3、对高空作业人员在高空作业时应持证上岗,在安全员、施工员到场后方可施工;高空作业施工前应由安全员和施工员,检查吊篮、挑梁、安全绳、保险带、绞盘机等安全设备的质量安全。对存在问题设备必须立即更换、维修、测试,在确保万无一失后方可使用。在雨雪天气后恢复施工时,安全员和施工员应及时对施工环境和设备进行安全检查,确保施工环境和设备安全后方可继续施工。吊篮不使用的情况下禁止悬挂,合理放置在安全地带,并妥善保管;
4、供水管沟必须按设计及现场交底要求,对开挖管沟进行放线定位交桩,填写施工定位测量放线记录;
5、送达施工现场的材料必须采用“襄阳中环水务有限公司”招标品牌,并填写材料报验单,对不合格材料坚决不予签字报验。PE 和PPR、衬塑钢管的管材和管件必须采用统一品牌,在报验材料、设备合格证粘贴表上必须加盖供应商公章,确保使用材料品牌与招标材料品牌相符;
6、工程施工质量必须符合设计和安装技术规范要求,对于未按设计和安装技术规范进行施工的工程质量管理部工作人员有权下达停工通知,并要求施工人员进行整改,达到设计和技术规范后方可进行下道工序,对未按设计要求及验收规范施工的,造成返工费用由施工单位承担;
7、施工工期必须按合同约定期限完工, 除特殊(强度大或周期长)的雨雪天气不可抗拒的自然原因工期正常顺延;因其它施工原因造成的不能按期完工,施工单位须向工程质量部以文字形式办理工期变更手续;
8、在施工现场,有关施工人员一律着工作服,挂工作牌,穿运动鞋或球鞋;
9、施工完毕后要做到工完、料尽场地清;
10、管道完工后整体试压需一次成功。
11、竣工资料必须在全面验收合格后3 日内(去除节假日、周末)交供水工程质量管理部。(附件:衬塑钢管、PE管、PPR管壁厚检测标准及衬塑钢管沟槽检测标准附表)
1、衬塑钢管壁厚检测标准
|
衬塑钢管 |
钢管 |
衬塑管壁厚 |
总厚度 |
|
Φ50 |
3.8(3.5±
0.25) |
1.5±0.2 |
5.3±0.2 |
|
Φ65 |
4.0(3.75±
0.38) |
1.5±0.2 |
5.5±0.2 |
|
Φ80 |
4.0(4.0±0.4) |
2.0±0.2 |
6.0±0.2 |
|
Φ100<,/SPAN> |
4.0(4.0±0.4) |
2.0±0.2 |
6.0±0.2 |
|
Φ125 |
4.0(4.5±0.4) |
2.0±0.2 |
6.0±0.2 |
|
Φ150 |
4.5(4.5±
0.45) |
2.5±0.2 |
7.0±0.2 |
|
Φ200 |
5.5(5.5±
0.55) |
2.5(0,-
0.5) |
8.0(0,-
0.5) |
2、衬塑钢管沟槽标准
|
沟槽标准 |
沟槽深 |
沟槽宽 |
|
≦80 |
2.20(+0.3) |
9.5 |
|
100——150 |
2.20(+0.3) |
9.5 |
|
沟槽标准 |
沟槽深 |
沟槽宽 |
|
200——250 |
2.50(+0.3) |
13 |
|
300 |
3.00(+0.3) |
13 |
沟槽过深作废出
3、PE 管壁厚检测标准
|
|
公称壁厚En.mm |
|
公称 |
PE80 |
PE100 |
|
公称压力PN(MPa) |
公称压力PN(MPa) |
|
外径 |
|
Dn. |
|
0.4 |
0.6 |
0.8 |
1.0 |
1.25 |
0.6 |
0.8 |
1.0 |
1.25 |
1.6 |
|
mm |
|
SDR33 |
SDR2 |
SDR |
SDR13. |
SDR |
SDR |
SDR |
SDR |
SDR13. |
SDR |
|
|
1 |
17 |
6 |
11 |
26 |
21 |
17 |
6 |
11 |
|
25 |
|
|
|
|
2.3 |
|
|
|
|
2.3 |
|
32 |
|
|
|
|
3.0 |
|
|
|
|
3.0 |
|
40 |
|
|
|
|
3.7 |
|
|
|
|
3.7 |
|
50 |
|
|
|
|
4.6 |
|
|
|
|
4.6 |
|
63 |
|
|
|
4.7 |
5.8 |
|
|
|
4.7 |
5.8 |
|
75 |
|
|
4.5 |
5.6 |
6.8 |
|
|
4.5 |
5.6 |
6.8 |
|
90 |
|
4.3 |
5.4 |
6.7 |
8.2 |
|
4.3 |
5.4 |
6.7 |
8.2 |
|
110 |
|
5.3 |
6.6 |
8.1 |
10.0 |
,4.2 |
5.3 |
6.6 |
8.1 |
10.0 |
|
125 |
|
6.0 |
7.4 |
9.2 |
11.4 |
4.8 |
6.0 |
7.4 |
9.2 |
11.4 |
|
|
公称壁厚En.mm |
|
公称 |
PE80 |
PE100 |
|
公称压力PN(MPa) |
公称压力PN(MPa) |
|
外径 |
|
Dn. |
|
0.4 |
0.6 |
0.8 |
1.0 |
1.25 |
0.6 |
0.8 |
1.0 |
1.25 |
1.6 |
|
mm |
|
SDR33 |
SDR2 |
SDR |
SDR13. |
SDR |
SDR |
SDR |
SDR |
SDR13. |
SDR |
|
|
1 |
17 |
6 |
11 |
26 |
21 |
17 |
6 |
11 |
|
160 |
4.9 |
7.7 |
9.5 |
11.8 |
14.6 |
6.2 |
7.7 |
9.5 |
11.8 |
14.6 |
|
200 |
6.2 |
9.6 |
11.9 |
14.7 |
18.2 |
7.7 |
9.6 |
11.9 |
14.7 |
18.2 |
|
225 |
6.9 |
10.8 |
13.4 |
16.6 |
20.5 |
8.6 |
10.8 |
13.4 |
16.6 |
20.5 |
|
250 |
7.7 |
11.9 |
14.8 |
18.4 |
22.7 |
9.6 |
11.9 |
14.8 |
18.4 |
22.7 |
|
280 |
8.6 |
13.4 |
16.6 |
20.6 |
25.4 |
10.7 |
13.4 |
16.6 |
20.6 |
25.4 |
|
315 |
9.7 |
15.0 |
18.7 |
23.2 |
28.6 |
12.1 |
15.0 |
18.7 |
23.2 |
28.6 |
|
355 |
10.9 |
16.9 |
21.1 |
26.1 |
32.2 |
13.6 |
16.9 |
21.1 |
26.1 |
32.2 |
|
400 |
12.3 |
19.1 |
23.7 |
29.7 |
36.3 |
15.3 |
19.1 |
23.7 |
29.4 |
36.3 |
|
450 |
13.8 |
21.5 |
26.7 |
33.1 |
40.9 |
17.2 |
21.5 |
26.7 |
33.1 |
40.9 |
|
500 |
15.3 |
23.9 |
29.7 |
36.8 |
45.4 |
19.1 |
23.9 |
29.7 |
36.8 |
45.4 |
|
560 |
17.2 |
26.7 |
33.2 |
41.2 |
50.8 |
21.4 |
26.7 |
33.2 |
41.2 |
50.8 |
|
630 |
19.3 |
30.0 |
37.4 |
46.3 |
57.2 |
24.1 |
30.0 |
37.4 |
46.3 |
57.2 |
|
710 |
21.8 |
33.9 |
42.1 |
52.2 |
|
27.2 |
33.9 |
42.1 |
52.2 |
|
|
800 |
24.5 |
38.1 |
47.4 |
58.8 |
|
30.6 |
38.1 |
47.4 |
58.8 |
|
|
|
公称壁厚En.mm |
|
公称 |
PE80 |
PE100 |
|
公称压力PN(MPa) |
公称压力PN(MPa) |
|
外径 |
|
Dn. |
|
0.4 |
0.6 |
0.8 |
1.0 |
1.25 |
0.6 |
0.8 |
1.0 |
1.25 |
1.6 |
|
mm |
|
SDR33 |
SDR2 |
SDR |
SDR13. |
SDR |
SDR |
SDR |
SDR |
SDR13. |
SDR |
|
|
1 |
17 |
6 |
11 |
26 |
21 |
17 |
6 |
11 |
|
1000 |
30.6 |
47.7 |
59.3 |
|
|
38.2 |
47.7 |
59.3 |
|
|
|
1200 |
|
57.2 |
70.6 |
|
|
45.9 |
57.2 |
70.6 |
|
|
4、PPR 管壁厚检测标准
|
4 外径 |
管系列 |
|
1.6mpa |
1.25mpa |
|
公称壁厚en 及允许偏差 |
|
16 |
- |
+0.4 |
2 |
+0.3 |
|
0 |
0 |
|
20 |
2 |
+0.3 |
2.3 |
+0.4 |
|
0 |
0 |
|
25 |
2.3 |
+0.4 |
2.8 |
+0.4 |
|
0 |
0 |
|
32 |
2.9 |
+0.4 |
3.6 |
+0.5 |
|
0 |
0 |
|
4 外径 |
管系列 |
|
1.6mpa |
1.25mpa |
|
公称壁厚en 及允许偏差 |
|
40 |
3.7 |
+0.5 |
4.5 |
+0.6 |
|
0 |
0 |
|
50 |
4.6 |
+0.6 |
5.6 |
+0.7 |
|
0 |
0 |
|
63 |
5.8 |
+0.7 |
7.1 |
+0.9 |
|
0 |
0 |
|
75 |
6.8 |
+0.8 |
8.4 |
1 |
|
0 |
0 |
|
90 |
8.2 |
+1 |
10.1 |
+1.2 |
|
0 |
0 |
|
110 |
10 |
+1.1 |
12.3 |
+1.4 |
|
0 |
0 |
|
125 |
11.4 |
+1.3 |
14 |
+1.5 |
|
0 |
0 |
|
140 |
12.7 |
+1.4 |
15.7 |
+1.7 |
|
0 |
0 |
|
4 外径 |
管系列 |
|
1.6mpa |
1.25mpa |
|
公称壁厚en 及允许偏差 |
|
160 |
14.6 |
+1.6 |
17.9 |
+1.9 |
|
0 |
0 |
|
5、不锈钢钢管管壁厚检测标准
与管件连接的不锈钢钢管壁厚分级表 |
|
公称尺寸DN |
钢管外径D |
钢管公称壁厚S |
壁厚公差 |
|
Ⅰ级 |
Ⅱ级 |
|
15 |
16 |
0.6 |
0.8 |
±10%S |
|
20 |
20 |
0.7 |
1.0 |
|
25 |
25.4 |
0.8 |
1.0 |
|
32 |
32 |
1.0 |
1.2 |
|
40 |
40 |
1.0 |
1.2 |
|
50 |
50.8 |
1.2 |
1.2 |
|
60 |
63.5 |
1.2 |
1.5 |
|
65 |
76.1 |
1.5 |
2.0 |
|
80 |
88.9 |
1.5 |
2.0 |
|
100 |
101.6 |
1.5 |
2.0 |
|
125 |
133 |
2.0 |
2.0 |
|
150 |
159 |
2.0 |
2.0 |
|
200 |
219 |
3.0 |
3.0 |
|
250 |
273 |
4.0 |
4.0 |
|
300 |
325 |
4.0 |
4.0 |
6、平焊法兰检测标准
2.5MPa平焊法兰

1.6MPa平焊法兰

1.0MPa平焊法兰

|